UKW-24
product unavailable
add to wish list
Description
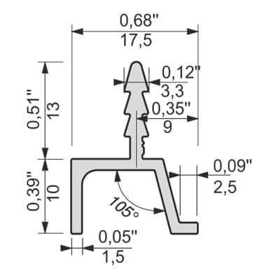
Handles for drawers and sliding doors
nr 029 024 05
Board thickness 0,70''÷0,74'' / 18÷19 mm.
Download