UKW-15
product unavailable
add to wish list
Description
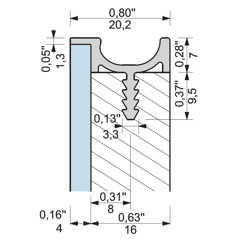
Handle for 0,63" / 16 mm chipboard or 0,12-0,16" / 3-4 mm glass glued to the board.
nr 029 015 05
Board thickness 0,62'' / 16 mm.
Download