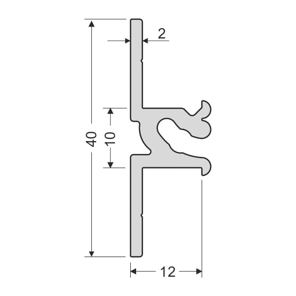
Profile for tiles A
product unavailable
add to wish list
Description
nr 031 017 05
Download