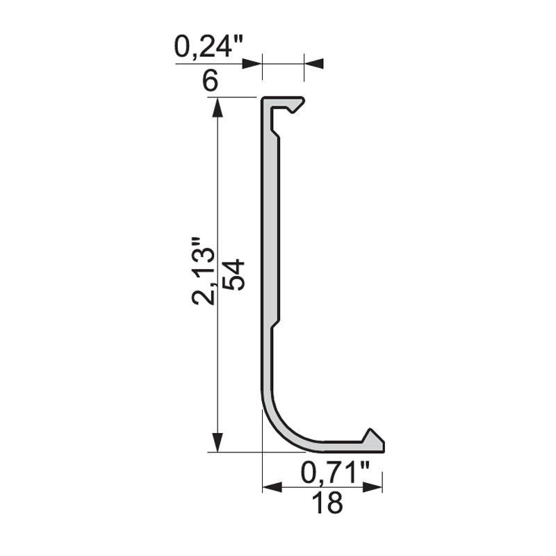
Clip - „L”
product unavailable
add to wish list
Description
nr 050 004
Download